儲能逆變器
-
行業需求
-
行業應用方案
-
產品選型推薦
行業需求
IGBT 模塊作為儲能逆變器中的核心組件,扮演著至關重要的角色。其出色的電力轉換效率、高可靠性和長壽命特性,為儲能逆變器提供了穩定、高效的電能轉換能力,從而確保了儲能系統的穩定運行和能源的有效利用。隨著儲能技術的不斷進步和市場的快速發展,儲能逆變器行業對功率 IGBT 模塊的需求將持續增長,推動兩者之間的協同發展。
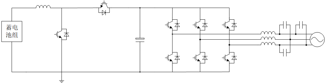
行業應用方案
拓撲結構

產品選型推薦
| 型號 | 電壓(V) | 電流(A) | 封裝 | 拓撲 |
| MMG150B065PD6TC | 650 | 150 | GB | PD |
| MMG450WB120B6TC | 1200 | 450 | GWB | B |
| MMG600WB120B6T6 | 1200 | 600 | GWB | B |
| MMG300WB120TLB6TC | 1200 | 300 | GWB | TLB |
| MMG300WB120TLA6TC | 1200 | 300 | GWB | TLA |
| MMG150CE065PD6TC | 650 | 150 | GCE | PD |
| MMG150CE065PD6T6 | 650 | 150 | GCE | PD |
| MMG200CE065PD6T5 | 650 | 200 | GCE | PD |
| MMG560WQ120BF6T7 | 1200 | 560 | GWQ | BF |
| MM75G3T65B | 650 | 75 | TO-247-3L | / |
| MM120G3T65BM | 650 | 120 | TO-247 Plus-3L | / |
| MM15G3T120B | 1200 | 15 | TO-247-3L | / |
| MM25G3T120B | 1200 | 25 | TO-247-3L | / |
| MM40G3T120B | 1200 | 40 | TO-247-3L | / |
| MM50G3T120BM | 1200 | 50 | TO-247 Plus-3L | / |
| MM40G3U65B | 650 | 40 | TO-247-3L | / |
| MM50GBU65B | 650 | 50 | TO-247-3L | / |
| MM60G3U65B | 650 | 60 | TO-247-3L | / |
| MM25G3U120BX | 1200 | 25 | TO-247-3L | / |
| MM40G3U120BX | 1200 | 40 | TO-247-3L | / |
| MM50G3U120BMX | 1200 | 50 | TO-247 Plus-3L | / |
| MM75G5U65BX | 650 | 75 | TO-247-3L | / |
| MM75G5U65BKX | 650 | 75 | TO-247-4L | / |
| MM40G5U120BX | 1200 | 40 | TO-247-3L | / |
| MM75G5U120BM | 1200 | 75 | TO-247 Plus-3L | / |
| MM75G5U120BKM | 1200 | 75 | TO-247 Plus-4L | / |
| MM75G5T65B | 650 | 75 | TO-247-3L | / |
| MM100G5T65B | 650 | 100 | TO-247-3L | / |
| MM140G7U120BKM | 1200 | 140 | TO-247 Plus-4L | / |